|
產品名稱: |
典型金相圖譜展示 |
產品型號: |
X100/ X500/╳400 |
產品特點: |
上海蔡康光學儀器廠生產金相軟件,典型金相圖譜,金相標樣,鐵—碳平衡組織,鋼的熱處理組織,合金鋼組織,鋼的其它組織,有色金屬合金組織,金相設備,金相圖例,典型金相圖譜,金相顯微鏡,VMS系列標準型影像測量儀,工業投影儀 |
|
|
|
|
|
鐵素體基體+片狀石墨 X100
|
|
鐵素體基體+片狀石墨 X500
|
|
|
|
珠光體基體+片狀石墨 X100
|
|
珠光體基體+片狀石墨 X500
|
|
注:以上兩種基體組織都是灰口鑄鐵 |
|
|
|
片狀珠光體 ╳400
|
|
塊狀鐵素體+片狀珠光體 ╳400
|
 |
|
 |
球狀珠光體 ╳400
|
|
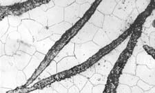
網狀鐵素體+片狀珠光體 ╳400
|
|
|
|
20鋼塊狀鐵素體+珠光體 ╳400
|
|
上貝氏體+下貝氏體 ╳400 |
|
|
|
網狀屈氏體+馬氏體和殘余奧氏體
|
|
板條馬氏體 ╳400
|
|
|
|
F+P基體+團絮狀石墨 X100
|
|
F+P基體+團絮狀石墨 X500
|
|
注:鑄鐵腐蝕后F+P基體石墨形態 |
|
|
|
基體+片狀石墨 X100
|
|
基體+片狀石墨 X500
|
|
|
注:鑄鐵腐蝕前石墨形態 |
|
|
(2)典型金相圖譜產品目錄 |
|
|
|